요즘 알리에서 세일을 하길래 전자공작할 부품을 몇개 샀습니다.
그중의 하나가 아래의 리튬이온 배터리 2S(2개 직렬) 충전회로입니다.

요즘은 많이 대중화된 USB-C 입력을 받아 리튬이온 배터리 2S에 맞는 충전전압 및 전류를 출력합니다. LED가 붙어있어 완충여부 확인이 가능합니다.
문제는 이걸 사서 테스트를 해보니 USB A to C 케이블은 인식되지만 C to C 케이블은 안된다는 점이었습니다.
![]() |
![]() |
| USB C to C 케이블 연결 | USB A to C 케이블 연결 |
분명 똑같은 C커넥터 입력인데 하나는 되고 다른 하나는 되지 않습니다.
그 이유는 USB C커넥터에만 있는 CC핀을 통하여 케이블 인식 및 충전전압/전류 설정을 하기 때문입니다. 설정은 충전기에서 하지만, 받아들이는 쪽에서 CC핀에 조작을 해주어야 이를 충전기가 인식하고 전압을 출력합니다.
반면 USB-A 커넥터는 일반적으로 보는 네모난 USB 커넥터로 핀이 VCC(5V), data 2선, GND(0V)로 끝입니다. CC핀이 연결될 필요가 없으므로 충전기가 별도의 조작을 할 필요 없이 보드가 동작하는 것입니다.
이 충전기의 전압/전류 설정은 요즘의 고전류(이를 통해 급속충전이 가능합니다)를 요구하는 기기들을 지원하기 위해 생긴 것으로, 원래 USB는 5V 출력만을 지원했지만 USB C to C로 연결되면 다른 전압인 9, 12, 20V로 설정이 가능합니다. 왜 전류를 안높이고 전압을 높이냐면, 전류를 높이면 전선이 굵어져야 하기 때문입니다... 발전소에서 전기를 보내는데 굳이 가정에서 쓰지도 않을 154kV 등의 전압으로 올려서 보내는것과도 같습니다.
어쨌든 충전기가 막 9, 12, 20V를 내보내면 안되므로 CC핀 검사를 통해 기기에서 요구하는 전압을 알아낸 다음 그에 맞춰 전압을 올려주며, 그렇지 않은경우 기본인 5V로 출력하게 됩니다. 5V 출력 할지 말지도 CC핀 검사를 통해 이루어져야 하므로 CC핀에 아무것도 연결되어 있지 않으면 C to C 케이블로는 전원공급이 되지 않습니다.
이를 해결하려면 CC핀에 조작을 해야하는데, 두가지 방법이 있습니다.
1. CC핀에 저항 붙이기
2. USB PD trigger 이용
위에서 언급했듯이 CC핀 검사를 통해 충전기가 출력전압을 설정하는데, 이를 역이용하여 원하는 설정전압을 뽑아내는 기기가 바로 USB PD trigger 입니다. 이름대로 USB PD 충전이 지원하는 충전기에서만 사용이 가능하나, 이를 지원하는 충전기에 꼽으면 5, 9, 12, 20V를 원하는 입맛에 맞게 뽑아내서 쓸수 있습니다. 전자공작시 간이 파워서플라이로 적합하죠.
![]() |
![]() |
![]() |
| 다양한 모양의 USB PD trigger 들 | ||
방식도 다양해서 고정전압을 내거나, dip switch로 전압을 선택하거나, 버튼식으로 선택하거나 하는등 여러 종류가 있습니다.
이들은 모두 CC 핀 설정을 통해 전압을 조작하는 IC가 붙어있는데, 조작 순서가 있기 때문에 위와 같은 제품을 쓰지 않고 자작하기가 그렇게 쉽지는 않습니다(조작순서는 검색하면 나옵니다.) 어짜피 위의 제품들이 알리에서 천원도 안하기 때문에(5개 사야 2천원??) 자작하느니 사다가 쓰는게 더 낫습니다.
이런 방법 대신 그냥 C to C 케이블에서 5V만 뽑아낼수 있으면 된다! 면, CC핀에 저항을 붙이는 방법으로 해결할수 있습니다.

CC 핀 저항 연결방법(출처 : https://resources.altium.com/kr/p/add-usb-type-c-power-delivery-your-designs)
방법은 간단합니다. USB-C 커넥터에서 CC핀은 2개가 있는데 각각에 5.1kohm 저항을 붙이고 GND와 연결해주면 됩니다.
이런 작업이 이미 되어있는 USB-C 커넥터 보드도 있습니다.
![]() |
![]() |
| USB-C 커넥터 보드 사진과 같이 저항이 없습니다. |
5.1kohm 저항이 달려있는 USB-C 커넥터 보드 |
USB-C 커넥터 보드도 5.1kohm 저항이 달려있는 경우가 있고 없는 경우가 있으므로 사진을 잘 보시고 구매하셔야 합니다.
위사진의 왼쪽의 같은 보드는 5.1kohm 저항이 없으므로 USB C to C 케이블을 꽂아도 인식이 되지 않습니다. 말그대로 싸구려이죠.
다시 돌아가서 위에서 구매했던 리튬이온 2S 충전기 보드는 CC핀에 저항이 없었기 때문에 C to C 케이블을 꽂아도 인식이 되지 않았습니다.
그러므로 5.1kohm 저항을 붙이면 C to C 케이블을 꽂아도 인식이 가능해집니다!

바로 이렇게 말이죠!
다행히 사진의 보드는 핀간격이 조밀하지 않은 커넥터라서 개조가 가능했습니다만, 위에서 소개한 5.1kohm 저항이 없은 USB-C 커넥터 보드는 핀간격이 조밀하므로 작업이 어려울듯 합니다.
![]() |
![]() |
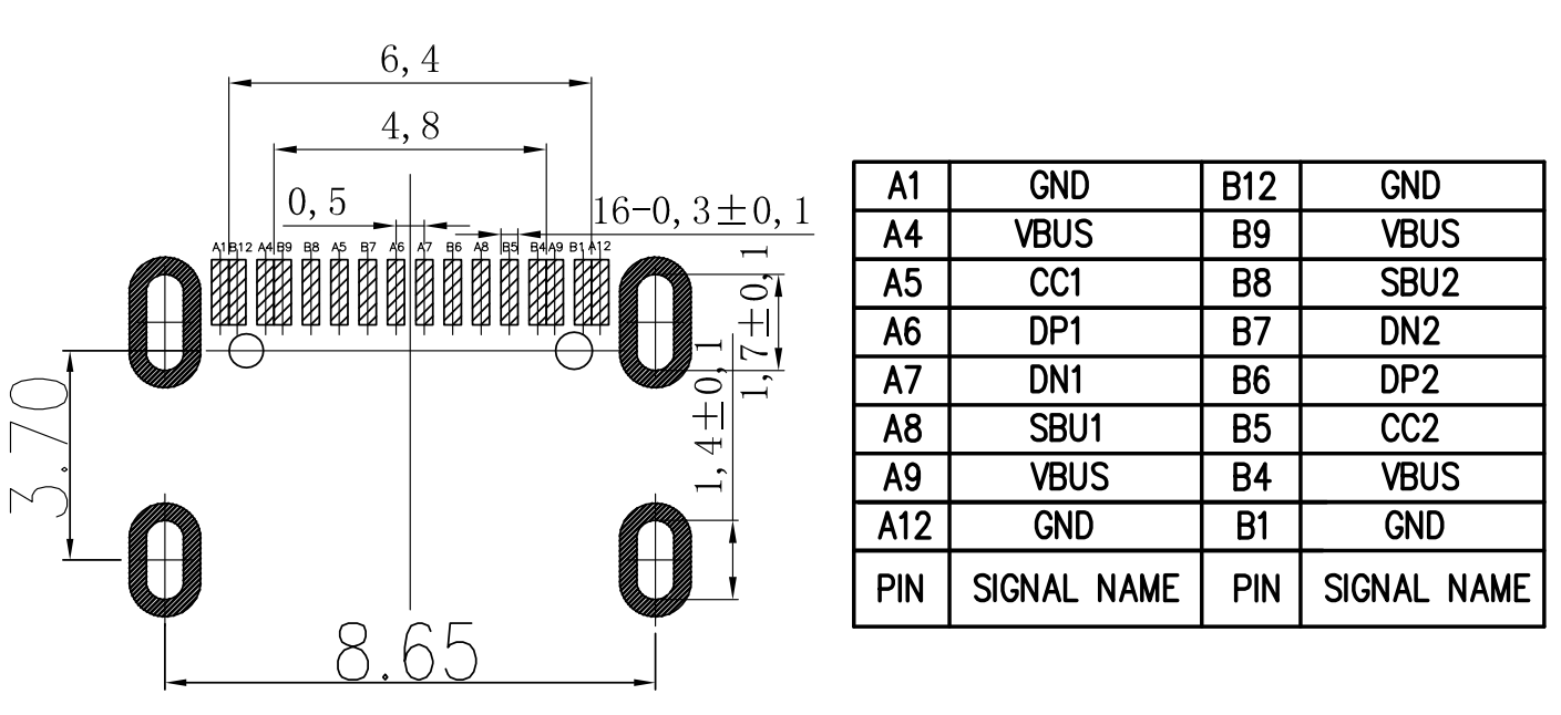
| 충전기 보드의 커넥터(6pin connector) | USB-C 보드의 커넥터(16pin connector) |
USB-C 커넥터의 용도가 다양해지다 보니 커넥터 종류도 상당한데, 위의 충전기보드에는 전원공급용으로 특화된 6pin connector를 사용합니다. 이 커넥터에는 핀이 VCC, GND, CC 핀 두개 이게 끝입니다. data선이 없으므로 통신이 안되는 커넥터인 셈입니다. 반면 USB-C 보드 커넥터는 16pin으로 data핀과 CC핀이 모두 있습니다. 어짜피 data핀, CC핀 모두 외부로 뺄수있게 되어있지 않으므로 아무 의미가 없지만요...
결론은 CC핀에 5.1kohm 저항 2개를 각각 연결하여 GND로 연결하면 USB C to C 케이블로도 사용이 가능하다는 점!
약간의 노가다가 필요했지만 돈버릴뻔한 반쪽짜리 보드를 살리게 되었네요. ^^








